Mastavení MACH3 koncových spínačů
Kde přesně nastavit v Machu aktivaci koncových spínačů všech tří os. Jedná se o tu modrou desku s TB 6560. Která má jeden výstup pro všechny osy a pouze pro každou osu jeden mínusový vsup. Nejsem si jist zda je to v nastavení - výstupní signály - Emulated // X++, X--, X home pro osu X a pokud ano, kterou zaškrtnout.
ahoj, podarilo se to vyresit tvuj dotaz?
wegac
wegac
wegac
co nejde silou, jde jeste vetsi silou!
co nejde silou, jde jeste vetsi silou!
Modrá deska má 4 vstupy pro koncové spínače, stop apod. takže lze použít třeba jeden vstup pro každou osu a stopku. Na LPT to jsou piny 10,11,12,13,15(viz manuál). Takže v nastavení se přiřadí třeba pro osu X : X++ pin10 zatrškrtnout Active Low(je spínaný na zem) Emulated křížek, to samé pro X-- a další osy stejně jen na jiný pinLPT.
Pro vstup u tohoto driveru je možno použít jen na výše uvedených pinech LPT, tzn. 5 různých vstupů. Pokud toto nestačí, lze použít druhý LPT port a na něm využít dalších 5 vstupů atd. pro případné další LPT porty. To samé s výstupy, je možno je rozhodit na více portů. Jen je potom třeba zajistit TTL úrovně na těchto vstupech, tedy 5V/0V.Pokud použijete Active Low stačí spínat na zem společnou s LPT portem, ale je lepší použít pro nesecvaknutý koncák pull up rezistor připojený na 5V.
http://img.hw.cz/p/Propojeni-LPT-s-obvo ... schema.gif
Pro vstup u tohoto driveru je možno použít jen na výše uvedených pinech LPT, tzn. 5 různých vstupů. Pokud toto nestačí, lze použít druhý LPT port a na něm využít dalších 5 vstupů atd. pro případné další LPT porty. To samé s výstupy, je možno je rozhodit na více portů. Jen je potom třeba zajistit TTL úrovně na těchto vstupech, tedy 5V/0V.Pokud použijete Active Low stačí spínat na zem společnou s LPT portem, ale je lepší použít pro nesecvaknutý koncák pull up rezistor připojený na 5V.
http://img.hw.cz/p/Propojeni-LPT-s-obvo ... schema.gif
MDF CNC router
TB6560 modrá čínská deska
Mach3, SketchUp+Phlatscript plugin
modelářství, elektronika,technika
TB6560 modrá čínská deska
Mach3, SketchUp+Phlatscript plugin
modelářství, elektronika,technika
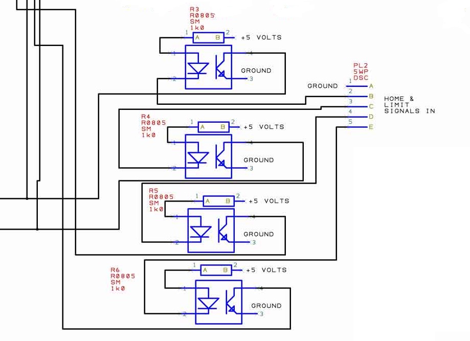
Ještě doplním: Nevím jak u někoho, ale já mám na mé 3-osé desce zapojeny vstupní piny takto: A-GND,B,C,D-přes optočleny na LPT piny 10,11,12,13. Potom lze použít různé kombinace pro různé vstupní spínače. třeba pin B(LPT10) pro všechny Home, C(11) pro všechny --, D(12) pro všechny ++ a E(13) pro stop.
Skutečnost(alespoň u mé desky) odpovídá schematu desky viz příloha.
A jak je vidět je třeba na vstupy připojovat GND, aby se rozsvítila LED v optočlenu, tudíž stačí spojit například pin A s B a tím je aktivován vstupní pin 10 na LPT.
Skutečnost(alespoň u mé desky) odpovídá schematu desky viz příloha.
A jak je vidět je třeba na vstupy připojovat GND, aby se rozsvítila LED v optočlenu, tudíž stačí spojit například pin A s B a tím je aktivován vstupní pin 10 na LPT.
MDF CNC router
TB6560 modrá čínská deska
Mach3, SketchUp+Phlatscript plugin
modelářství, elektronika,technika
TB6560 modrá čínská deska
Mach3, SketchUp+Phlatscript plugin
modelářství, elektronika,technika