prosba o výrobu vřetena
Pravidla fóra
Toto forum vyzaduje schvaleni prispevku moderatorem.
Toto forum vyzaduje schvaleni prispevku moderatorem.
-
soustruhy.cz
- Příspěvky: 12
- Registrován: 1. 1. 2012, 7:08
zdravim všechny, přišlo mi nejideálnější to vložit sem, pokud je to špatně tak mě prosim omluvte.
Byl by ochoten někdo v co nejkratším termínu vyrobit nové vřeteno i s kluzným ložiskem k soustruhu dle stávajícího vřetena ? toto je zřejmě nakoplé. pro představu 50mm průměr a 400mm délka. tak kdyby byl někdo ochoten ? popř. přibližnou cenu a termin. předem diky.
co je to za soustruh? nedá se to koupit někde jako ND? výroba bude ranec.. případně repase stávajícího?
věčný rýpal,který musí mít poslední slovo, odpůrce low-cost zařízení končících v naprosté většině případů v hromadě šrotu
uživatelé hýbátek, kteří mají z mých příspěvků celoživotní trauma nechť si mé příspěvky VYPNOU
uživatelé hýbátek, kteří mají z mých příspěvků celoživotní trauma nechť si mé příspěvky VYPNOU
-
soustruhy.cz
- Příspěvky: 12
- Registrován: 1. 1. 2012, 7:08
Zdravim, je to starej soustruh bez převodů, ani jsem o něm nic nenašel a ani na soustruhu neni žádná značka. bylo mi navrhnuto- kulatinu 12 040 celé nahrubovat a jen jemně dočistit místa pro pouzdra. Kolik tím bylo prosim myšleno ranec, ? ja na něm potřebuji dělat a zdejší nějak to mají na dlouhé lokty
děkuji za nabídky a odezvu.
vřeteno, aby bylo vřeteno, je potřeba cementovat a brousit.. jen za tu cementaci dáš odhadem tak 3ku ..
věčný rýpal,který musí mít poslední slovo, odpůrce low-cost zařízení končících v naprosté většině případů v hromadě šrotu
uživatelé hýbátek, kteří mají z mých příspěvků celoživotní trauma nechť si mé příspěvky VYPNOU
uživatelé hýbátek, kteří mají z mých příspěvků celoživotní trauma nechť si mé příspěvky VYPNOU
-
soustruhy.cz
- Příspěvky: 12
- Registrován: 1. 1. 2012, 7:08
A co takhle použít silnou poloosu z auta, navařit na ni silnou desku doprědu jako licní, začistit na hrotech, a udělat nove futro pro tuto poloosu ? nebo ostružit v místě futer ? potřebuji aby to chvily nějak makalo a ja vydělal nějaký peníz a pak bych to chtěl udělat do původního. nic extra velkého na to točit nebudu. bylo by toto reálné ?
no já ještě neviděl soustruh s plným vřetenem, a poloosu z auta dutou.. resp dokážu si představit dutou poloosu u nějákého závoďáku, ale určitě ne dostupnou ze seriového auta.. podle mě si to představuješ jak hurvínek válku.. podle mě, když chceš něco vyrobit tak to začíná výkresem a nebo alespoň nějakým náčrtem, pak se nemůžeš divit že ti nikdo nic nenabídne... jak je to velký? pokud je to nějakej takovej soustruh jakej si myslím, alespoň podle popisu tvého řešení tak se na takovej soustruh vykašli.. jak jsem psal vřeteno jako takové má dost specifické tolerance, výrobní postupy atd to s tou tvoji partizánštinou nemá nic společného..
věčný rýpal,který musí mít poslední slovo, odpůrce low-cost zařízení končících v naprosté většině případů v hromadě šrotu
uživatelé hýbátek, kteří mají z mých příspěvků celoživotní trauma nechť si mé příspěvky VYPNOU
uživatelé hýbátek, kteří mají z mých příspěvků celoživotní trauma nechť si mé příspěvky VYPNOU
-
soustruhy.cz
- Příspěvky: 12
- Registrován: 1. 1. 2012, 7:08
je mi jasný že to není uplně košer, ja taky neříkám že je to renovace podle originálu, a taky vím že polosy větších průměrů nejsou dutý. jinak se dá udělat ledacos, ja na soustruhu také udělal ledacos a nedělal bych z trubkového vřetena takovou vědu! poloosa se dá v pohodě taky provrtat, to jádro není tak tvrdé, cementace je na povrchu. a výrobní postup ? snad víme jak vytočit 40cm dlouhou hřídel, přičemže povrh na hotovo stačí jen v místech futer. dělal jsem pili snad víme jak udělat hřídel na hrotech. žádná osazení pro kola a ani nic jiného.axiální vůle 4 segrovky a teflonové kluzné podložky. chtěl jsem přibližnou cenu a termín. když řeknu 400mm dlouhé a 50mm průměr tak asi si každý dovede představit trubku 50mm v průměru která bude mít hlavní část 49mm a z každého konce 50mm bude o sile 49,50mm na čisto pro kluzná ložiska.a mimochodem když dodám mustr kvůly oměření setin, tak v nástřelu ceny by to neměl být takový rozdíl. a jesli hold nebude nějaký čas průchozí mě netrápí. a lícní deska může být na osazení a nalisovaná , deska o síle 30mm a osazení na vřeteni 35mm . vřeteno nechat o 5stovek větší než díra v desce , vřeteno do mrazáku a desku na vařič a ono to vydrží. a pak na hrotech přelíznout na čisto. můj problem je že nemám mašinu na které bych si to udělal. proto žádám o pomoc jiné. jinak děkuji za nabídky a názory.
Zatímco tady provozuješ slohová cvičení na téma soustružení a poučuješ všechny, jak jednoduché je vyrobit to, o čem máš představu pouze ty, tak jsi mohl dávno od ruky nakreslit náčrt a pověsit to tady jako přílohu a všichni by měli jasno vo co gou... Takhle nikdo nic neví a taky nic nenacení, případně neporadí. Tož tak...
-
soustruhy.cz
- Příspěvky: 12
- Registrován: 1. 1. 2012, 7:08
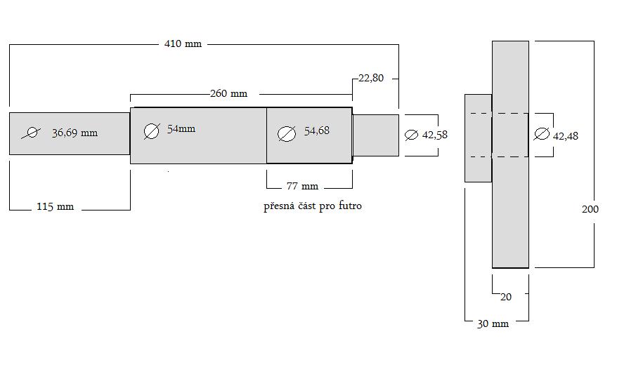
dobrá, udělám nějaký náčrtek, at je to snažší, 
-
soustruhy.cz
- Příspěvky: 12
- Registrován: 1. 1. 2012, 7:08
Kluzný vřeteno bez broušení povrchů a bez závitů na seřizování vůlí, svařený z poloosy ???? 
To je nějaký Silvestrovský či novoroční vtípek ne????
Kvalitně udělaný kluzný vřeteno na zakázku tak aby opravdu fungovalo tě bude stát víc než nějakej starší funkční soustruh celej. Pokud si to nejsi schopný udělat sám, tak je to dle mýho názoru blbost řešit, obzvláště na nějaký historický noname mašině ....
To je nějaký Silvestrovský či novoroční vtípek ne????
Kvalitně udělaný kluzný vřeteno na zakázku tak aby opravdu fungovalo tě bude stát víc než nějakej starší funkční soustruh celej. Pokud si to nejsi schopný udělat sám, tak je to dle mýho názoru blbost řešit, obzvláště na nějaký historický noname mašině ....