Dotykový sonda

potraviny
Příspěvky: 1965
Registrován: 17. 9. 2009, 10:05
Bydliště: Most
Kontaktovat uživatele:

4. 1. 2012, 5:14

Řešil jste někdo dotykovou sondu na modré desce tří osová? Sondu jsem udělal tak, že by na frézce kostry byl napojen GND a sonda by spínala při dotyku s ocel.obrokem. Kde z desky vycucnout GND (bych i našel), ale kam ho poslat.Jedu v Machu a chci využívat sondu na určení středu kruhu pro osu X a Y ve čtyřbodovém systému přeložen do Cz od Pepi.
Uživatelský avatar
packa
Příspěvky: 7141
Registrován: 7. 2. 2007, 6:42
Bydliště: Královehradecký kraj

5. 1. 2012, 7:36

modrá deska má několik volných vstupů , pro koncáky nebo limitní spínače , takže můžeš použít jaký koliv znich ,pokud máš nějaký volný , v machu tomu vstupu pak jen přiřadíš tu správnou funkci
potraviny
Příspěvky: 1965
Registrován: 17. 9. 2009, 10:05
Bydliště: Most
Kontaktovat uživatele:

5. 1. 2012, 10:28

To jo jen nevím které jsou volný, navíc si nejsem jist zda se po sepnutí sondou taky nerosvítí tlačítko RESET a nebudu už moc hnout žádnou osou jako u koncáků.
Uživatelský avatar
packa
Příspěvky: 7141
Registrován: 7. 2. 2007, 6:42
Bydliště: Královehradecký kraj

5. 1. 2012, 11:34

ne reset se ti nerozsvítí když nastavíš že je to vstup sondy tak je pro sondu a ne pro koncáky , používáš koncáky ? pokud ano tak na jaké piny na desce je máš připojený ? hod sem mmanual k té desce at to nemusím hledat ,
víš kde se nastavuje v machu číslo pinu pro sondu ?
potraviny
Příspěvky: 1965
Registrován: 17. 9. 2009, 10:05
Bydliště: Most
Kontaktovat uživatele:

5. 1. 2012, 12:48

Koncáky jsou na pinu 13, kde nastavit sondu v Machu vím, jen jsem ještě právě v práci a tak nemohu ke svému manuálu na tu modrou desku, ten mám v kompu doma v dílně.
Uživatelský avatar
packa
Příspěvky: 7141
Registrován: 7. 2. 2007, 6:42
Bydliště: Královehradecký kraj

5. 1. 2012, 1:36

na pinu 13 máš koncáky tak bys tam měl mít ještě asi čtyři vstupy , takže je uplně jedno na jakej to připojíš a v machu nastavíš ke vstupu probe že je na portu jedna a číslo toho pinu , A myslím že budeš muset udělat fajfku u active lo
potraviny
Příspěvky: 1965
Registrován: 17. 9. 2009, 10:05
Bydliště: Most
Kontaktovat uživatele:

5. 1. 2012, 4:57

Takže jsem to zkoušel v nastavení Vstupní signály, zaškrtl jsem Probe a dal automatické nastavení a nenapsalo mi to žádný pin. Tímto způsobem jsem nastavoval i E-stop a napsalo mi to právě 13 a maká to. Tak teď fakt nevím.
Uživatelský avatar
packa
Příspěvky: 7141
Registrován: 7. 2. 2007, 6:42
Bydliště: Královehradecký kraj

5. 1. 2012, 5:02

a kam jsi to napojil? zafajfknul jsi activ lo???????? pošli ten manual desky
potraviny
Příspěvky: 1965
Registrován: 17. 9. 2009, 10:05
Bydliště: Most
Kontaktovat uživatele:

5. 1. 2012, 5:24

Activ Lo jsem zafafknul a přesto to nic nenašlo žádný pin k tomu určený. Jinak jsem to zatím raději nezapojoval, když dám vyhledat E-stop tak najde potřebný pin, i když je to vlastně taky jakoby nezapojený když není sepnutý koncák.
Přílohy
REVERSESTEPPER.jpg
HY-TB3DV-M_3Axis_Driver.doc
(1.23 MiB) Staženo 885 x
Uživatelský avatar
packa
Příspěvky: 7141
Registrován: 7. 2. 2007, 6:42
Bydliště: Královehradecký kraj

5. 1. 2012, 5:42

na desce máš čtyř pinový konektor pro připojení koncáku a tak
na jeden z těchto pinů připoj tu tvoji sondu ( připoj ten pin na zem ) a ten pin nastav v machu , na nějaký aumatický hledání se vyprdni
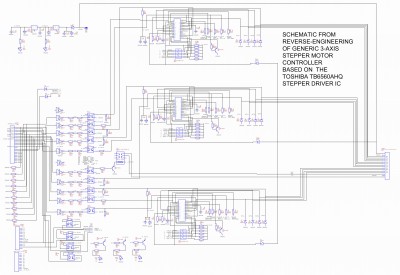
tady je tabulka z toho manualu , to znamená že pin 1 na tvé desce odpovídá pinu 10 na paralelním portu atak dále takže to napoj na pin 1 a v machu nastav pin 10 port 1 a mělo by to jít i bez activ lo


The definition of 4 channel inputs interface:
Input 1 Input 2 Input 3 Input 4
Corresponding P10 Corresponding P11 Corresponding P12 Corresponding P13
potraviny
Příspěvky: 1965
Registrován: 17. 9. 2009, 10:05
Bydliště: Most
Kontaktovat uživatele:

5. 1. 2012, 5:54

Možná na tom něco bude. Tenkrát jsem laboroval s koncáky na tom 4pin konektoru na desce a první mi nefachal. Omrkni to http://www.c-n-c.cz/viewtopic.php?f=106&t=7940" onclick="window.open(this.href);return false; Jdu rozebrat bednu s elekronikou a dám vědět, podu bys na něco ještě přišel, napiš.
potraviny
Příspěvky: 1965
Registrován: 17. 9. 2009, 10:05
Bydliště: Most
Kontaktovat uživatele:

5. 1. 2012, 6:18

Tak jsem to fouknul na ten první pin, nastavil jak jsi psal a je to mrtvé. Nereaguje na sepnutí.
Uživatelský avatar
packa
Příspěvky: 7141
Registrován: 7. 2. 2007, 6:42
Bydliště: Královehradecký kraj

5. 1. 2012, 6:23

v tom jiném vlákně jsi psal že ti pin jedna nešel , zřejmě tam bude v háji optron
vyskoušej jiný pin
potraviny
Příspěvky: 1965
Registrován: 17. 9. 2009, 10:05
Bydliště: Most
Kontaktovat uživatele:

5. 1. 2012, 6:26

Ty ostatní jsem měl napojený na koncáky, ale to se pak v Machu sepne tlačítko RESET
Uživatelský avatar
packa
Příspěvky: 7141
Registrován: 7. 2. 2007, 6:42
Bydliště: Královehradecký kraj

5. 1. 2012, 6:29

tak skus najít ten optron , ty koncáky máš na co jako na houmování nebo jako limitní ,
podle toho co píšeš tak je máš jako limitní a po sepnutí jakéhokoliv koncáku se ti mašina schodí? pokud ano tak ti nato stačí jen jeden vstup a pak bys měl ještě dva funkční,
Odpovědět

Zpět na „cinske desky s TB-6560 cervena a modra“