
PWM řízení otáček vřetene
Hmm, zvláštní zapojení. Po příchodu impulzu přes optron se otevře tranzistor, zkratuje plné fázové usměrněné napětí... ozve se puk.. trošku smradu....a půjdeš hledat nový tranzistor. A tak stále pořád dokola, s každým pulsem PWM. Vždyť tam ani to vřeteno není, pokud to teda není ta žárovka v sérii se sítí
Nějak mi to nedává smysl.
No to nemáš celkom pravdu. Poriadne si to pozri. Veľa záleží na záťaži.popopepe píše:Hmm, zvláštní zapojení. Po příchodu impulzu přes optron se otevře tranzistor, zkratuje plné fázové usměrněné napětí... ozve se puk.. trošku smradu....a půjdeš hledat nový tranzistor. A tak stále pořád dokola, s každým pulsem PWM. Vždyť tam ani to vřeteno není, pokud to teda není ta žárovka v sérii se sítíNějak mi to nedává smysl.
Nemáš CNC - nič neznamenáš.
30.01.10 pokusne spustené CNC. Neviem, ako som mohol doteraz bez neho žiť. ><((((º>
http://www.fishpol.sk
30.01.10 pokusne spustené CNC. Neviem, ako som mohol doteraz bez neho žiť. ><((((º>
http://www.fishpol.sk
Ten regulátor funguje, dělal jsem ho.
popopepe - Zde máš něco podobného co také funguje.
http://pandatron.cz/?294®ulator_jasu_sitove_zarovky" onclick="window.open(this.href);return false;
popopepe - Zde máš něco podobného co také funguje.
http://pandatron.cz/?294®ulator_jasu_sitove_zarovky" onclick="window.open(this.href);return false;
popopepe píše:No vidíte, kluci, děkuji, aspoň neumřu hloupej
Ale stejně tomu moc nevěřím, bude záležet na tom, co tam chce dát za vřeteno. Ale alespoň se Sechtech dozvěděl odpověď na jeho otázku.
bednar.dk@seznam.cz
SolidWorks 2011
Zakázková výroba jednoúčelových strojů
konstrukce strojů, automatizace,
http://www.indops.cz" onclick="window.open(this.href);return false;
SolidWorks 2011
Zakázková výroba jednoúčelových strojů
konstrukce strojů, automatizace,
http://www.indops.cz" onclick="window.open(this.href);return false;
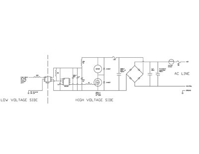
Zdravím, ještě bych se vrátil k tématu a zeptal se na tohle zapojení
popřípadě zdali by to někdo dokázal poupravit pro 230v frézku a upřesnit všechny součástky pro laika.
našel jsem o zde http://www.machsupport.com/forum/index. ... ic=15771.0" onclick="window.open(this.href);return false;
a mělo by to být římo pro Mach3.
Díky předem za odpovědi.
našel jsem o zde http://www.machsupport.com/forum/index. ... ic=15771.0" onclick="window.open(this.href);return false;
a mělo by to být římo pro Mach3.
Díky předem za odpovědi.
Principiálně asi nej řešení, jen si dej bacha na ty budiče Fetů od IRF... Mám s nima špatný zkušenosti (I když hlavně při buzení půlmůstků, tady jako low side driver by to mohlo chodit OK).
A čo chceš upravovať, však je to na AC 230V.slezak77 píše:Zdravím, ještě bych se vrátil k tématu a zeptal se na tohle zapojení popřípadě zdali by to někdo dokázal poupravit pro 230v frézku a upřesnit všechny součástky pro laika.
našel jsem o zde http://www.machsupport.com/forum/index. ... ic=15771.0" onclick="window.open(this.href);return false;
a mělo by to být římo pro Mach3.
Díky předem za odpovědi.
Nemáš CNC - nič neznamenáš.
30.01.10 pokusne spustené CNC. Neviem, ako som mohol doteraz bez neho žiť. ><((((º>
http://www.fishpol.sk
30.01.10 pokusne spustené CNC. Neviem, ako som mohol doteraz bez neho žiť. ><((((º>
http://www.fishpol.sk
Minimálně ten filtrační kondík (na schematu 100uF/200V) musí být na dvakrát větší napětí (resp. aspoň na 350V).. sakra, už se zas musim jít rekreovatpájač píše: A čo chceš upravovať, však je to na AC 230V.
mimooborová naplavenina • kolowratský zázrak™ • NPS • GCU • HirthCalc • ncDP.ino
Vlakno jsem cele necetl, tak nevim, co vsechno si od toho slibujes.
To schema je asi prevzate z nejake zeme se 110V siti (USA ?), rekl bych.
Takze je treba udelat par uprav:
- jak uz psal Thomeeque je nutne dimenzovat kondenzator na ss strane minimalne na 350V nebo vic
- pro zachovani stejneho proudu pro napajeni budice jako ma puvodni autor bude treba zvetsit srazeci odpor (oznaceny 20K/5W) na dvojnasobek, tj. na nejakych 40K, dimenzovani na 5W teoreticky staci (bude se na nem palit neco pres 2.5W), ale protoze bude hodne hrat, tak bych tam dal radeji paralalne 2 odpory 82K/5W
- ten spinaci tranzistor samozrejme musi byt taky dimenzovany na prislusne napeti aspon 400V, takze z bezne dostupnych a levnych napr. IRF840
- dioda pro zpetny proud pri vypnuti tranzistoru (ve schematu horni 1N4007, ktera premostuje motor) je silne poddimenzovana, mela by byt dimenzovana nejmin na srovnatelny proud, jaky se bude spinat, tedy predpokladam aspon 3-5A, takze aspon 1N5408 (na 3A), BY500/1000 (na 5A) atd.
- u te spodni diody to neni az tak nutne, ale stejne bych tam radeji dal taky stejnou diodu pro vyssi proud (je to korunova polozka)
- jako diodovy mustek vyhovi cokoli pro aspon 600V a potrebny proud (nevim, co tam bude za motor), napr. pro max. 10A treba B250C10000DR za par korun z GMe
Nijak moc jsem nad tim schematem nehloubal, tak nevrdim, ze tam neni nejaky problem. Ale pokud to puvodnimu autorovi jelo dobre, tak po tech par upravach by to melo jet i tady.
To schema je asi prevzate z nejake zeme se 110V siti (USA ?), rekl bych.
Takze je treba udelat par uprav:
- jak uz psal Thomeeque je nutne dimenzovat kondenzator na ss strane minimalne na 350V nebo vic
- pro zachovani stejneho proudu pro napajeni budice jako ma puvodni autor bude treba zvetsit srazeci odpor (oznaceny 20K/5W) na dvojnasobek, tj. na nejakych 40K, dimenzovani na 5W teoreticky staci (bude se na nem palit neco pres 2.5W), ale protoze bude hodne hrat, tak bych tam dal radeji paralalne 2 odpory 82K/5W
- ten spinaci tranzistor samozrejme musi byt taky dimenzovany na prislusne napeti aspon 400V, takze z bezne dostupnych a levnych napr. IRF840
- dioda pro zpetny proud pri vypnuti tranzistoru (ve schematu horni 1N4007, ktera premostuje motor) je silne poddimenzovana, mela by byt dimenzovana nejmin na srovnatelny proud, jaky se bude spinat, tedy predpokladam aspon 3-5A, takze aspon 1N5408 (na 3A), BY500/1000 (na 5A) atd.
- u te spodni diody to neni az tak nutne, ale stejne bych tam radeji dal taky stejnou diodu pro vyssi proud (je to korunova polozka)
- jako diodovy mustek vyhovi cokoli pro aspon 600V a potrebny proud (nevim, co tam bude za motor), napr. pro max. 10A treba B250C10000DR za par korun z GMe
Nijak moc jsem nad tim schematem nehloubal, tak nevrdim, ze tam neni nejaky problem. Ale pokud to puvodnimu autorovi jelo dobre, tak po tech par upravach by to melo jet i tady.
Soustruh Noell E0177 (Sandra), jenom kličky
Frézka 3040z (Fiona), LinuxCNC
Frézka 3040z (Fiona), LinuxCNC
Vsuvka:
Kondenzátor radši na 400V (230+10%*1,41 = 356V)
Tranzistor je dobrý IRF460 - hodněkrát přežil zkrat vedení s B10 jističem. Ostatní fety bouchly hned napoprvé. Má taky větší pouzdro, silnější vývody a lépe se chladí.
PS: Tento týden budu vyšívat na regulátoru ke svému strojku tak to pak šupnu na fórum.
Kondenzátor radši na 400V (230+10%*1,41 = 356V)
Tranzistor je dobrý IRF460 - hodněkrát přežil zkrat vedení s B10 jističem. Ostatní fety bouchly hned napoprvé. Má taky větší pouzdro, silnější vývody a lépe se chladí.
PS: Tento týden budu vyšívat na regulátoru ke svému strojku tak to pak šupnu na fórum.
Na konci poznávacího procesu je omyl zcela vyvrácen a my nevíme nic. Zato to víme správně.