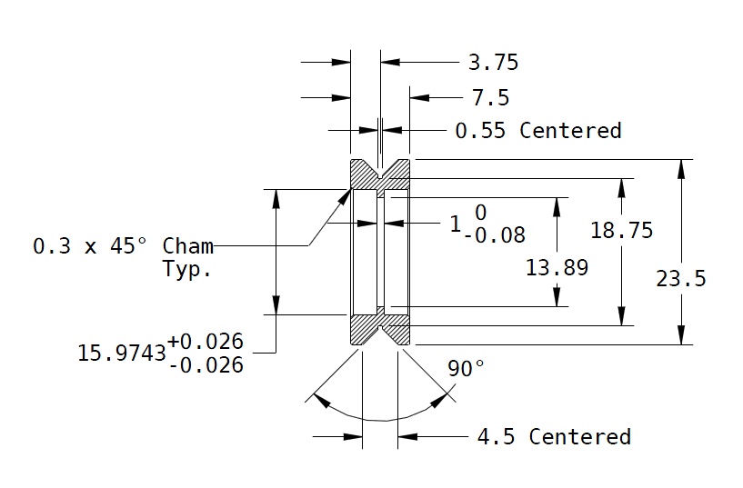
Poptavam vyrobu nasledujicih soucastek.( prvni je z oceli, druhy z delrinu, pripadne bychom se domluvili i na jinem materialu)
Vaznym zajemcum bych zaslal vyrobni vykresy a domluvili bychom se na detailech, vcetne mnozstvi.
Pokud mate zajem,dejte vedet, ci poslete PM
Poptavam vyrobu
Pravidla fóra
toto forum vyzaduje schvaleni prispevku moderatorem
toto forum vyzaduje schvaleni prispevku moderatorem